商品に関するお問合せ先
最寄営業所までお問合せください
※商品の仕様及び外観等は予告なく変更する事がありますので、ご了承ください。
※最寄り営業所により取扱い機種及び仕様が異なる場合がありますので、お手数ですが事前にお問合わせください。
| 商品コード | 3TD3K | 3TD3AK | 3TD3PK |
|---|---|---|---|
| 型式 | RT1-SDS0201 | RT1-ADST0203 | RT1-ADST0203 |
| メーカー | 軌陸車テック | 軌陸車テック | 軌陸車テック |
| 重量 機械重量(kg) | 7,990 | 7,980 | 7,980 |
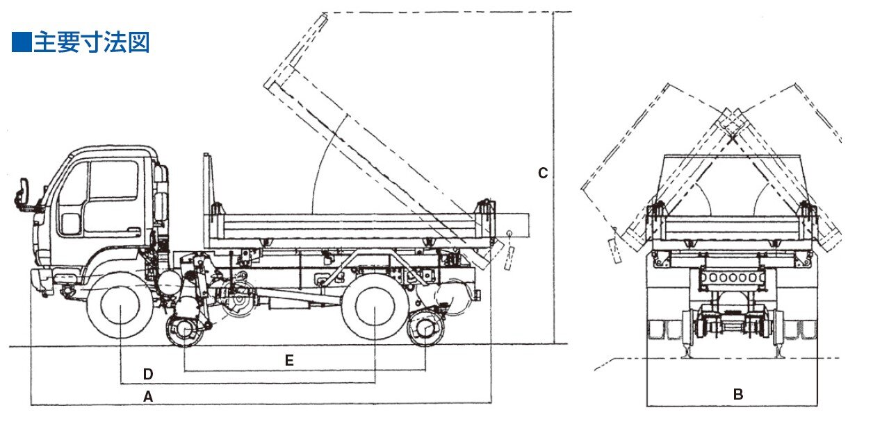
| 全長A(mm) | 5,330 | 5,330 | 5,330 |
| 全幅B(mm) | 2,030 | 2,020 | 2,030 |
| 全高(軌道走行時)C(mm) | 2,215 | 2,215 | 2,215 |
| 全高(道路走行時)(mm) | 2,090 | 2,090 | 2,090 |
| ダンプ最大高さD(mm) | 3,555 | 3,555 | 3,555 |
| ダンプ角度(後方)(度) | 40 | 40 | 40 |
| ダンプ角度(左右)(度) | 40 | 40 | 40 |
| タイヤ軌間距離E(mm) | 2,750 | 2,750 | 2,750 |
| 鉄輪軸間距離F(mm) | 2,590 | 2,590 | 2,590 |
| 車輪径(mm) | φ420 | φ420 | φ420 |
| 適応レール | 狭 | 狭・中・広 | 狭・中・広 |
| 転車台装置 | なし | 付 | 付 |
| 機種 | 軌陸三転ダンプ | 軌陸三転ダンプ | 軌陸三転ダンプ |
| 重量 車両重量(kg) | 5,330 | 5,670 | 5,330 |
| 重量 最大積載重量(kg) | 2,750 | 2,200 | 2,300 |
| 燃料タンク(ℓ) | 60(軽油) | 60(軽油) | 60(軽油) |
| 軌道走行(最高時速) | 30km/h | 30km/h | 30km/h |
| 低速走行 | 4モード(3.4.6.8km/h) | 4モード(3.4.6.8km/h) | 4モード(3.4.6.8km/h) |
| 登坂能力 | 勾配 35/1,000 | 勾配 35/1,000 | 勾配 35/1,000 |
| 駆動方式 | 油圧式チェーンドライブ | 油圧式チェーンドライブ | 油圧式チェーンドライブ |
| 油圧モータブレーキ | 油圧モーター制御ブレーキ | 油圧モーター制御ブレーキ | 油圧モーター制御ブレーキ |
| ディスクブレーキ | 油圧式 | 油圧式 | 油圧式 |
| 前車輪 | 2輪駆動 | 2輪駆動 | 2輪駆動 |
| 後車輪 | 2輪従動 脱輪防止装置 | 2輪従動 脱輪防止装置 | 2輪従動 脱輪防止装置 |
| 車輪形式 | 絶縁車輪 | 絶縁車輪 | 絶縁車輪 |
| 機関 車両型式 | いすゞ TKG-NKR85YN | いすゞ 2PG-NKR88YN | いすゞ TKG-NKR85YN |
| 機関 形式 | 直接噴射式 | 直接噴射式 | 直接噴射式 |
| 尿素SCR | - | ○ | - |
最寄営業所までお問合せください
